









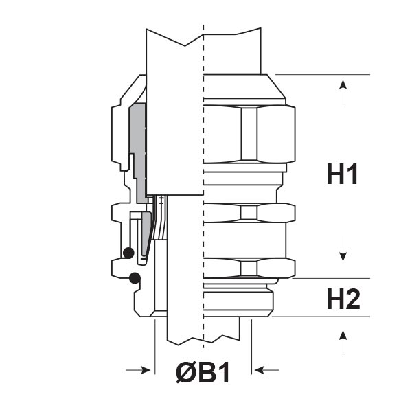
ARTICOLO | filetto passo | filetto valore | Ø est. cavo min - max mm | Ø est. calza max mm | chiave mm | ØB1 mm | H1 mm | H2 mm | confezione pz. |
|---|---|---|---|---|---|---|---|---|---|
| 1184.32 | Metrico | 32x1,5 | 17 - 25,5 | 23,8 | 36 | 22,1 | 38,5 | 13 | 25 |
Richiedi il nostro supporto
Elektrozubehör è da sempre attenta alle esigenze dei suoi clienti. Con professionalità e cordialità, può accompagnarti nella scelta del prodotto più adeguato alla tua applicazione. Richiedi il supporto dei nostri specialisti.
Rimani aggiornato sulle nostre novità
Iscriviti alla newsletter di Elektrozubehör e ricevi aggiornamenti, informazioni e offerte sui nostri prodotti.