

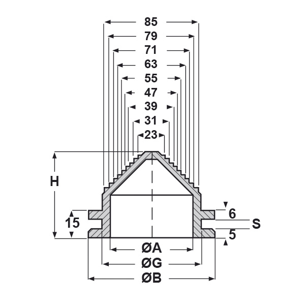
ARTICOLO | ØA mm | ØG mm | S mm | ØB mm | ØB1 mm | H mm | confezione pz. |
|---|---|---|---|---|---|---|---|
| 15-734*** | 75 | 85 | 4 | 105 | - | 60,2 | 15 |
Richiedi il nostro supporto
Elektrozubehör è da sempre attenta alle esigenze dei suoi clienti. Con professionalità e cordialità, può accompagnarti nella scelta del prodotto più adeguato alla tua applicazione. Richiedi il supporto dei nostri specialisti.
Rimani aggiornato sulle nostre novità
Iscriviti alla newsletter di Elektrozubehör e ricevi aggiornamenti, informazioni e offerte sui nostri prodotti.