

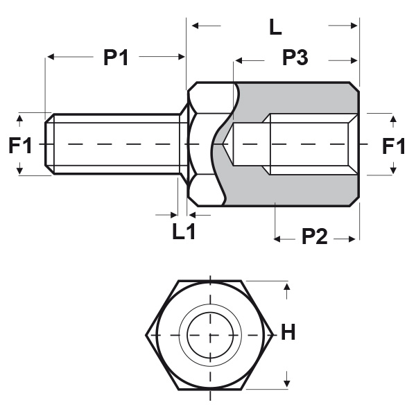
ARTICOLO | filetto passo F1 | filetto valore F1 | H mm | L mm | L1 max mm | P1 mm | P2 min mm | P3 max mm | confezione pz. |
|---|---|---|---|---|---|---|---|---|---|
| UD30 E 4070 50 | Metrico | 4 | 7 | 50 | 1,4 | 10 | 10 | 15 | 500 |
Richiedi il nostro supporto
Elektrozubehör è da sempre attenta alle esigenze dei suoi clienti. Con professionalità e cordialità, può accompagnarti nella scelta del prodotto più adeguato alla tua applicazione. Richiedi il supporto dei nostri specialisti.
Rimani aggiornato sulle nostre novità
Iscriviti alla newsletter di Elektrozubehör e ricevi aggiornamenti, informazioni e offerte sui nostri prodotti.