

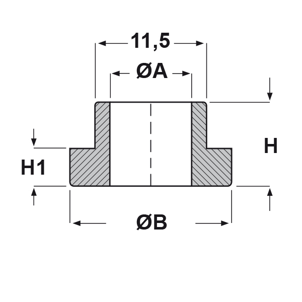
ARTICOLO | ØA mm | ØB mm | H mm | H1 mm | confezione pz. |
|---|---|---|---|---|---|
| 15-399 | 8 | 16 | 8,5 | 4 | 100 |
Richiedi il nostro supporto
Elektrozubehör è da sempre attenta alle esigenze dei suoi clienti. Con professionalità e cordialità, può accompagnarti nella scelta del prodotto più adeguato alla tua applicazione. Richiedi il supporto dei nostri specialisti.
Rimani aggiornato sulle nostre novità
Iscriviti alla newsletter di Elektrozubehör e ricevi aggiornamenti, informazioni e offerte sui nostri prodotti.