

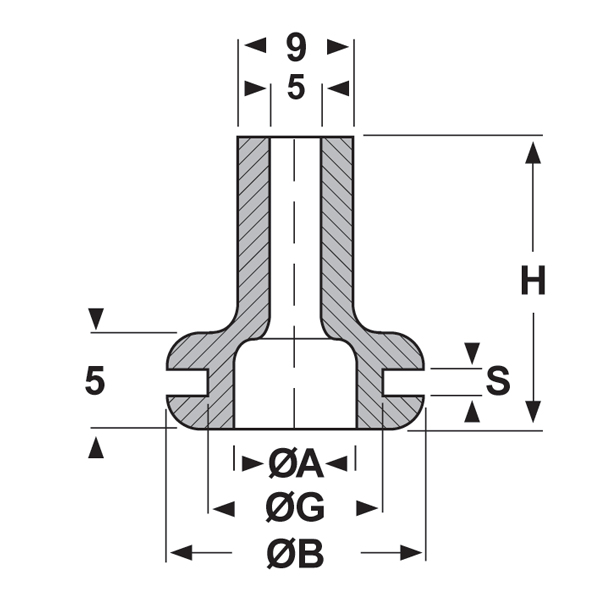
ARTICOLO | materiale | ØA mm | ØB mm | ØG mm | H mm | S mm | confezione pz. |
|---|---|---|---|---|---|---|---|
| 15-187 | neoprene | 7 | 14 | 10 | 15 | 1 | 100 |
Richiedi il nostro supporto
Elektrozubehör è da sempre attenta alle esigenze dei suoi clienti. Con professionalità e cordialità, può accompagnarti nella scelta del prodotto più adeguato alla tua applicazione. Richiedi il supporto dei nostri specialisti.
Rimani aggiornato sulle nostre novità
Iscriviti alla newsletter di Elektrozubehör e ricevi aggiornamenti, informazioni e offerte sui nostri prodotti.