

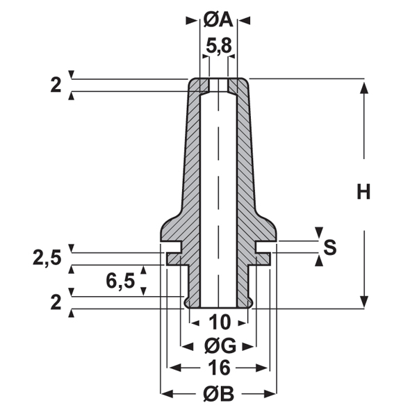
ARTICOLO | materiale | ØA mm | ØB mm | ØG mm | H mm | S mm | confezione pz. |
|---|---|---|---|---|---|---|---|
| 14-542** | PVC serie “PLIO” | 7,2 | 18 | 12 | 43,5 | 2 | 100 |
Richiedi il nostro supporto
Elektrozubehör è da sempre attenta alle esigenze dei suoi clienti. Con professionalità e cordialità, può accompagnarti nella scelta del prodotto più adeguato alla tua applicazione. Richiedi il supporto dei nostri specialisti.
Rimani aggiornato sulle nostre novità
Iscriviti alla newsletter di Elektrozubehör e ricevi aggiornamenti, informazioni e offerte sui nostri prodotti.